Accueil > NEW'S lasers à gaz > 024 Laser TEA N2 osc+ampli limite diffraction

024 Laser TEA N2 osc+ampli limite diffraction



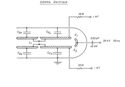
Arnold developped this first MOPA N2 laser for calibration of drift chamber at CERN.

Subnanosecond nitrogen laser pulses can produce long ionization tracks in gases,localizable to 50 micron in a drift chamber. Primary ionisation exceeding 2000 electrons/cm is obtained in Ar/CO2 mixtures. The ionisation is a multiphoton processes. Ar ionisation potential is 13.7 eV and the laser beam give 3.67 eV. The unfocused beam provide a electrical fiel of  1.1 MV/cm.

 CERN/EF/BEAM 80-2   H.J. Hilke

Video



En 1981 l'université de HAMBURG m'a acheté les plans de ce laser pour pouvoir le construire et en fait cela a été le travail de DIPLOME pour un physicien Peter Schütt  titre " Bau und inbetriebnahme eine zweistufigen Stickstoff Laser zur Teilchenspur Simulation" UNIVERSITAT HAMBURG.





0 article(s)
 
Newsletter
Inscrivez vous à notre newsletter.
Je m'abonne
Je me désabonne
www.swissrocketman.fr © tous droits réservés
Site réalisé avec PowerBoutique - creation site e-commerce