Accueil > NEW'S lasers solides > 650W YAG cw laser Haas

650W YAG cw laser Haas



Cette tête laser est prévue d'être utilisée pour réaliser un laser doublé à 532nm de 300W de sortie.
Il me faudra encore réaliser une alimentation de 20kW pour faire fonctionner les 2 tubes à krypton.


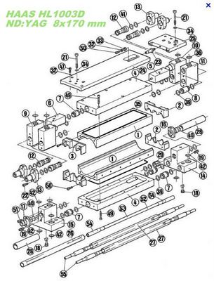
voilà je viens de démarrer la construction d'un YAG pompé par 2 tubes Krypton de 10 kW chacun soit 20 kW pompe sur un barreau Nd:YAG de 170 mm x 8 mm sortant déjà plus de 650W cw
 
J'ai opté pour un montage en Z pour des raisons de limitation de l'effet de diffraction du barreau YAG comme il est pompé par des tubes krypton!
Je vais utiliser un BBO de 5x5x15 mm avec des fenêtre de Brewster monté sur un TEC avec une régulation PID pour doublé la fréquence à 532 nm avec 350à 420W de sortie ! 
Le BBO est un cristal biréfrengent uniaxe négatif que je vais utiliser en accord de phase type I .
Le BBO à 2 avantages et 1 inconvénient ! 
Avantage En effet si les indices optiques varient avec la longueur d'onde, ils varient également avec la températures ! 
Comme la puissance est très élevée plus de 400W prévu il faut trouver un cristal dont l'indice optique est très peu sensible à la température ce qui est le cas du BBO d(ne)/dT= -9.3.10e-6 1/K et d(n0)/dT= - 16.6.10e-6 1/K 
Le deuxième avantage c'est que sa tenue au flux pompe est 20 fois plus élevé qu'un KTP (plusieurs GW/cm2)
L'inconvénient c'est qu'il est légèrement hygroscopique ce qui necessite de le fermer dans une cavité étanche à l'air et sous atmosphère d'oxygène!
La température optimum de travail sera de 15 degrés Celsius: mon BBO je l'ai acheter chez CLEVELAND USA.
Il est tailler à 90 degré par rapport à l'axe optique.



          
Video en HD

0 article(s)
 
Newsletter
Inscrivez vous à notre newsletter.
Je m'abonne
Je me désabonne
www.swissrocketman.fr © tous droits réservés
Site réalisé avec PowerBoutique - creation site e-commerce