Accueil > NEW'S lasers à gaz > 010 Mon premier laser TEACO2 construit en 1975

010 Mon premier laser TEACO2 construit en 1975



Mon premier Laser TEA CO2 construit en 1975
Ce laser se compose d'une enceinte en plexiglass muni de 2 électrodes de Rogowski distante de 12 mm et de 30mm de large. Il est muni d'un système de préionisation du type Pearson  et Lamberton composé de 2 fils en acier inoxydable de 0.2 mm de diamètre couplé sur 4 condensateurs de 500 pF /30 kV.



Voici une photo de la décharge entre les 2 électrodes de Rogowski



voici le profil de l'électrode



PEARSON ET LAMBERTON PREIONISATION




2015  Remontage et test du laser CO2 TEA de 1 Joule





Effet laser due à une décharge homogène du mélange de gaz visualisé par le claquage diélectrique de l'air !


Pas d'effet laser car la décharge entre les électrodes passe en régime d'arcs et pas de décharge homogène (glow)


Utilisation de tri-propylamine ayant un potentiel d'ionisation de 7.5 eV permettant d'obtenir une décharge homogène à pression atmosphérique dans un mélange de 50% He , 25% N2 et 25% CO2.
La pression de vapeur du tri-propylamine à 25°C est de 3.69 mmHg ce qui nécessite d'avoir 5-6% du débit de gaz contenant le tri-propylamine dans le mélange gazeux He/N2/CO2 réglé au moyen de 2 débimètres à bille.
On peut également utilisé du Ferrocène qui est une poudre brunâtre presentant un pression de vapeur à 40°C de 0.03 mmHg soit 100 fois moindre alors il faut chauffé celle-ci à 80°C et faire circuler tout le mélange de gaz à travers.
Le potentiel de ionisation est de 6.2 eV (ethyl ferrocène)








VIDEO EN HD







VIDEO en HD





VIDEO en HD






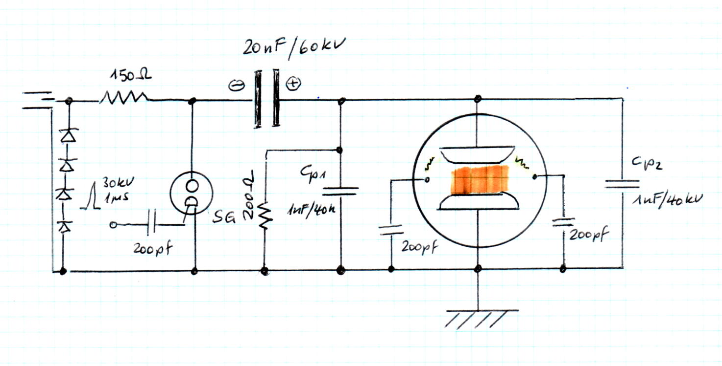
MODIFICATION DU CIRCUIT DE DECHARGE

Essai pour obtenir une décharge plus homogène et éviter les arcs entre les 2 électrodes de décharge.
J'ai monté un condensateur de 20nF/50kV aux bornes de l'éclateur de manière à avoir une montée en courant plus importante et une tension également plus grande.




0 article(s)
 
Newsletter
Inscrivez vous à notre newsletter.
Je m'abonne
Je me désabonne
www.swissrocketman.fr © tous droits réservés
Site réalisé avec PowerBoutique - creation site e-commerce