Accueil > NEW'S lasers à gaz > NOVALINE compresseur de pulse pour excimer

NOVALINE compresseur de pulse pour excimer



 COMPRESSEUR DE PULSE 2 ETAGES POUR LASER A EXCIMER
 

Le compresseur de pulse des laser excimer NOVALINE se trouve dans la boite bleu au dessus de la chambre de décharge. Pour vous orienté un petit peu sur ce laser à excimer, il faut déjà savoir qu'un laser coûte plus d'un million d'euro! C'est une technologie de pointe dans ce domaine, ce laser délivre 4000 pulses de 10 mJ par seconde à 248nm !

Il travaille 24h/24 a cette fréquence dans l'industrie des semiconducteurs.

Les premiers lasers étaient équipés de thyratron à hydrogène qui ont une durée de vie de l'ordre de 10 milliard de pulses. Donc il fallait les remplacer tous les mois et un thyratron coûte entre 2000 et 2500 euro.





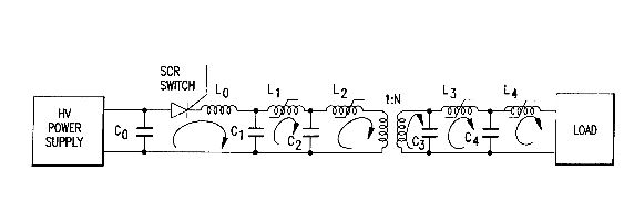
Après plusieurs années de développement la solution était de travailler avec des semiconducteur comme des thyristors et des IGBT de puissance à plus basse tension de l'odre de 1200 -1500V. Malheureusement les courants et les durées de pulses ne convenait pas au pompage des lasers à excimer. La solution était de comprimé le pulse sortant du commutateur à semiconducteur donc le courant était augmenté du rapport de compression et en même temps on augmentait la tension à travers un transfo d'impulsion, ce qui permettait de partir d'un pulse de 1000ns et par 3 étages de compression obtenir un pulse de 10ns  avec une intensité d'une dizaine de kilo ampères !



Dans cette boite en aluminium bleue se trouvent 2 compartiments distincts.
Dans le premier se trouve tous les élements haute tension du compresseur de pulses, capacités HT céramique, selfs, transformateur d'impulsion, diodes HT, IGBT's, résistances HT, le tous noyé dans de l'huile silicone ayant 2 fonctions, la première d'isolation HT des divers composants et la deuxième d'évacuation de la chaleurs libérées lors des 4000 décharges par seconde !

Dans le 2 ème compartiment se trouve toute l'intendance et la gestion du compresseur de pulse à savoir, une pompe de circulation de l'huile silicone à travers les différents éléments à refroidir, selfs,condensateurs etc..

La commande des IGBT's par fibres optiques, les signaux à transmettre à l'ordinateur de contrôle, températeurs,pression de la cuve, gestion de la pompe,
unité de commande des IGBT's tous cela par fibre optique pour évité les parasites pouvant être véhiculer par cable.



Générateur de pulse complet avec circuit d'huile pour le refroidissement. Une pompe fait circuler l'huile pour refroidir les composant qui travaillent jusqu'à 4kHz !


VIDEO EN HD

0 article(s)
 
Newsletter
Inscrivez vous à notre newsletter.
Je m'abonne
Je me désabonne
www.swissrocketman.fr © tous droits réservés
Site réalisé avec PowerBoutique - creation site e-commerce