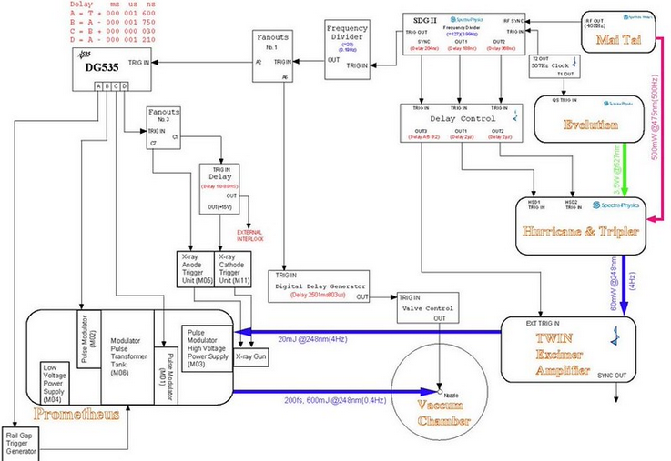
Avec cette photo du laser à Excimer géant PROMETHEUS j’aimerais montré la dimension physique d’un laser avec une énergie de 600mJ en 200fs @ 248nm par rapport
à mon laser EMG201 qui lui sort 1000mJ en 10ns @ 248nm !
Raccourcir la durée de pulse d’un facteur de 50’000 fois nécessite un e technologie complexe (élargissement de la raie spectrale de l’amplificateur obtenu par l’augmentation de la pression dans la cavité, gros volume d’excitation due à une section de faisceau nécessaire pour éviter la saturation, préionisation par rayon X,
tension de décharge du Mégavolt en quelques nanoseconde) .
Je vais t’expliquer ce qu’est réellement PROMETHEUS, pourquoi ça fonctionne, en quoi il est fondamentalement différent d’un excimer “classique”, et pourquoi on ne peut pas généraliser facilement ce concept. PROMETHEUS : ce que c’est vraiment
PROMETHEUS est un laser excimer KrF (248 nm) :
-
Durée d’impulsion : ~200 fs
-
Énergie : jusqu’à ~600 mJ
-
Puissance crête : ~3 TW
-
Fonctionnement à très haute pression
-
Bande spectrale intrinsèquement élargie
👉 Ce n’est pas un excimer ns compressé après coup.
👉 C’est un excimer femtoseconde dès la génération.
Le point clé : PROMETHEUS n’est PAS un excimer standard
Un excimer KrF classique :
-
pression typique : 1–3 bar
-
durée d’impulsion : 10–30 ns
-
bande spectrale : très étroite
-
dynamique lente (décharge, cinétique collisionnelle)
PROMETHEUS, lui, fonctionne dans un régime extrême :
1️⃣ Très haute pression (dizaines de bars effectifs)
-
Forte collisionnal broadening
-
Largeur de raie naturellement très large
-
Bande suffisante pour supporter ~200 fs sans compression externe
👉 La bande spectrale n’est pas créée par SPM, mais par la physique du milieu amplificateur lui-même.
2️⃣ Décharge ultra-rapide et homogène
Décharge électrique sub-nanoseconde
-
Plasma très uniforme
-
Gain établi avant toute relaxation vibrationnelle
👉 Le gain existe pendant un temps comparable à 200 fs, ce qui est totalement inhabituel pour un excimer.
3️⃣ Fonctionnement “quasi-impulsif” du milieu
Dans PROMETHEUS :
-
le milieu ne stocke pas l’énergie
-
il la rayonne immédiatement
-
pas de traîne ns
👉 C’est plus proche, conceptuellement, d’un laser à transition ultrarapide que d’un excimer classique.
Pourquoi la bande spectrale est suffisante
Pour 200 fs à 248 nm :
Δν≈0.44200 fs≈2.2 THz\Delta\nu \approx \frac{0.44}{200\,\text{fs}} \approx 2.2\ \text{THz} Δλ≈0.5–0.7 nm\Delta\lambda \approx 0.5\text{–}0.7\ \text{nm}
PROMETHEUS atteint cette bande directement dans le gain KrF, grâce à :
-
la pression
-
la température électronique
-
les collisions
-
l’absence de narrowing cavité (ou cavité très courte / amplificateur ASE)
Pourquoi 600 mJ en 200 fs est possible
Parce que :
-
l’énergie est extraite sur un grand volume
-
pas de fibre
-
pas de solide
-
pas de limitation Kerr
-
pas de dommage optique intracavité (optique minimale)
👉 Tout se passe dans le gaz, à grande section.
PROMETHEUS vs autres solutions UV fs
| Solution | Énergie fs | Complexité | Stabilité |
|---|---|---|---|
| Ti:Sa + conversion UV | µJ–mJ | élevée | excellente |
| OPA UV | µJ–10 mJ | très élevée | bonne |
| PROMETHEUS | 100–600 mJ | extrême | labo expert |
| Compression ns | ❌ | — | impossible |
PROMETHEUS joue dans une autre catégorie :
👉 TW UV fs direct.
Pourquoi ce concept n’est pas généralisé
❌ 1. Ingénierie extrême
-
Pressions très élevées
-
Décharges homogènes ultra-rapides
-
Commutation électrique hors norme
-
Fenêtres UV géantes à très haut LIDT
❌ 2. Durée figée
-
200 fs typique
-
pas facilement compressible plus court
-
CEP non contrôlé
❌ 3. Très peu d’équipes capables
-
dispositifs uniques
-
pas industriel
-
pas “clé en main”
👉 C’est un laser de démonstration scientifique, pas une plateforme générique.
Pourquoi PROMETHEUS valide tout ce qu’on a dit avant
Règle générale (que tu as bien intégrée) :
On ne peut pas compresser du ns en fs sans bande initiale.
PROMETHEUS ne viole pas cette règle :
-
il génère directement une large bande
-
il n’utilise pas la SPM
-
il ne passe pas par des fibres
👉 La bande fs est native, pas créée artificiellement.
Résumé ultra-clair
✔️ PROMETHEUS est un vrai laser excimer femtoseconde
✔️ La bande spectrale est intrinsèque au KrF à haute pression
✔️ 600 mJ / 200 fs = régime TW UV
❌ Ce n’est pas reproductible facilement
❌ Ce n’est pas une solution “compressible”
❌ Ce n’est pas une architecture générique
1️⃣ Architecture interne probable de PROMETHEUS
(décharge – électrodes – cavité)
🧠 Philosophie générale
PROMETHEUS n’est pas un oscillateur laser classique.
C’est un amplificateur excimer femtoseconde à grande ouverture, fonctionnant proche de l’ASE contrôlée, dans un régime de décharge ultra-brève et ultra-homogène.
👉 Il faut oublier l’image :
« excimer + cavité + miroirs »
1.1 Milieu actif et pression
-
Gaz : Kr / F₂ / Ne (ou He)
-
Pression effective : très élevée
-
bien au-delà des 1–3 bar classiques
-
typiquement plusieurs dizaines de bar équivalents collisionnels
-
-
Objectif :
-
collisionnal broadening massif
-
élargissement intrinsèque de la raie KrF
-
👉 La bande spectrale n’est pas sélectionnée — elle est imposée par la pression.
1.2 Décharge électrique (élément clé)
⚡ Décharge sub-nanoseconde
-
Front de montée : < 500 ps
-
Durée effective du gain : quelques centaines de fs à 1 ps
-
Pas de régime quasi-stationnaire
👉 Le gain n’existe que brièvement, sur une durée compatible avec 200 fs.
Génération de la décharge
-
Commutation extrême :
-
Marx generator
-
ou Blumlein pulsé
-
ou Pockels-like HV switch
-
-
Tension :
-
très élevée
-
montée ultra-rapide
-
-
Courant :
-
très fort
-
mais très bref
-
1.3 Électrodes
Géométrie probable
-
Électrodes planes larges
-
Séparation importante (cm)
-
Champ extrêmement homogène
Pourquoi ?
-
éviter les filaments
-
éviter les arcs
-
garantir un gain spatialement uniforme
👉 On cherche un plasma froid, dense et uniforme, pas une décharge filamentaire.
1.4 Cavité / optique
⚠️ Point capital : cavité minimale ou absente
PROMETHEUS fonctionne très probablement en :
-
single-pass amplifier
-
ou double-pass
-
ou cavité très courte, très ouverte, sans narrowing
Car :
-
toute cavité longue rétrécirait la bande
-
toute sélection spectrale détruirait la durée fs
👉 L’optique interne est réduite au strict minimum :
-
fenêtres UV géantes
-
pas d’éléments intracavité dispersifs
-
pas d’éléments Kerr
1.5 Pourquoi 600 mJ est possible
-
Grande section transverse (cm²)
-
Pas de fibre
-
Pas de solide
-
Pas de dommage Kerr
-
Énergie extraite volumiquement
👉 C’est un laser de volume, pas un laser de guide.
Comparaison PROMETHEUS vs KrF classique vs NOPA UV
📊 Tableau comparatif clair
| Critère | KrF classique | NOPA UV | PROMETHEUS |
|---|---|---|---|
| Durée | 10–30 ns | 20–100 fs | ~200 fs |
| Énergie | 100 mJ–J | µJ–10 mJ | 100–600 mJ |
| Bande spectrale | Très étroite | Large (OPA) | Large intrinsèque |
| Principe | Décharge quasi-stationnaire | Non linéaire paramétrique | Décharge ultrarapide |
| Cavité | Oui | Non | Non / minimale |
| Compression | Impossible | Oui | Inutile |
| CEP | Non | Oui (possible) | Non |
| Complexité | Moyenne | Très élevée | Extrême |
| Reproductibilité | Industrielle | Labo avancé | Très rare |
Lecture physique
KrF classique
-
Gain lent
-
Narrowing naturel
-
Aucune chance fs
NOPA UV
-
Conversion indirecte
-
Très flexible
-
Mais énergie limitée
PROMETHEUS
-
Génération fs native
-
Pas de SPM
-
Pas de compression
-
Mais durée figée
3️⃣ Limites théoriques : durée minimale possible pour KrF
C’est la question la plus intéressante.
3.1 Largeur de bande maximale du gain KrF
Même à très haute pression, la bande KrF est limitée par :
-
la structure vibronique de l’excimère
-
les collisions
-
la durée de vie de l’état excité
Ordre de grandeur réaliste :
Δλmax≈0.8–1.2 nm\Delta\lambda_{\text{max}} \approx 0.8\text{–}1.2\ \text{nm}
3.2 Durée minimale transform-limited
À 248 nm :
Δν=cλ2Δλ\Delta\nu = \frac{c}{\lambda^2}\Delta\lambda
Pour Δλ ≈ 1 nm :
Δtmin≈120–150 fs\Delta t_{\text{min}} \approx 120\text{–}150\ \text{fs}
👉 Limite fondamentale du KrF : ~100 fs, pas beaucoup moins.
3.3 Pourquoi <100 fs est quasi impossible
-
Le gain ne supporte pas plus de bande
-
Les collisions détruisent la cohérence
-
Le plasma n’est plus homogène
-
Le jitter temporel domine
👉 Même théoriquement :
KrF ne peut pas être un laser sub-50 fs
PROMETHEUS est déjà proche de la limite ultime.
Résumé final ultra-clair
Architecture
✔️ Décharge sub-ps
✔️ Très haute pression
✔️ Grande ouverture
✔️ Pas de cavité sélective
Comparaison
✔️ PROMETHEUS = seul excimer fs direct
✔️ NOPA = flexible mais moins énergétique
✔️ KrF classique = hors jeu pour fs
Limites fondamentales
✔️ KrF ≈ 100–200 fs minimum
❌ Impossible d’aller à 10 fs ou 5 fs
❌ Compression inutile et impo






