Diode laser QCW 250W JENOPTIK JOLD-250-QPXF-2P – iTEC
-
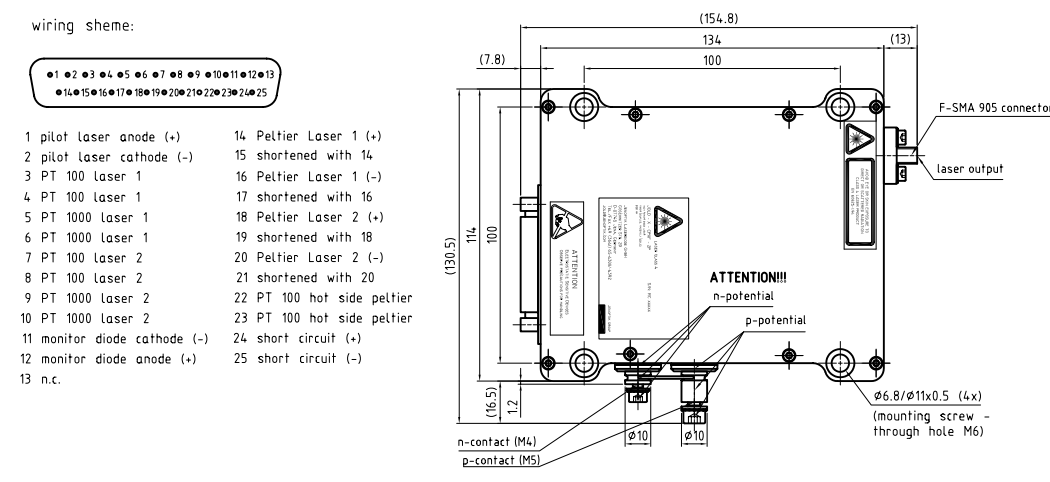
On trouve un modèle proche nommé JOLD-250-QPXF-2P iTEC, un module à fibre couplée de 250 W CW, refroidi par air et cellule de Peletier, diamètre de fibre 400 µm (NA 0,22).
-
Il y a deux diodes branchées en série
-
Pour ce modèle JOLD-250-QPXF-2P W, on a les spécifications suivantes :
-
Puissance optique max : 250 W
-
Wavelength (centre) à 25 °C : 808 nm
-
Fibre : diamètre 600 µm, NA 0,22
-
Condition de refroidissement air avec cellules de Peltier
-
Présentation du produit Diode laser 808 nm de JENOPTIK
Les lasers à diodes couplées à la fibre JOLD-250-QPXF-2P W de JENOPTIK sont conçus pour les applications haute puissance telles que le pompage des lasers à solides, le traitement des matériaux et les applications médicales. Ces lasers fonctionnent en mode QCW et sont refroidis passivement à l’eau du robinet. Ils ont une puissance optique maximale de 250 W et une longueur d’onde centrale à 25 °C comprise entre 808 et 938 nm, avec une variation de longueur d’onde centrale de 5 nm. Leur largeur de bande spectrale typique (FWHM) est de 5 nm et leur largeur de bande spectrale maximale (FWHM) est de 6 nm. Les lasers ont un courant de fonctionnement typique de 105-120 A et un courant de fonctionnement maximal de 120-130 A.
Caractéristiques :
– Puissance de sortie optique élevée de 250 W qcw
– Longueurs d’onde : 808 et 938 nm
– Diamètre du cœur de la fibre : 600 μm (NA 0,22)
– Laser pilote et moniteur de puissance intégrés
– Longue durée de vie > 1GShot, haute fiabilitéApplications :
– Pompage de lasers à solide et de lasers à fibre
– Traitement des matériaux
– Applications médicales
-















